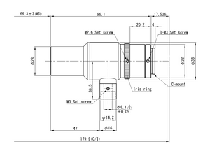
VS Technology VS-TCM1-250CO/S 2/3" Telecentric C-Mount Lens, 1.0X, WD=250mm, 5 Megapixel Rated, Coaxial Type

SKU:
VST VS-TCM1-250CO/S
Availability:
Typically 14 days
Contact for quote
Current Stock: